首页
产品世界
品牌故事
智能工厂
忠恒视频
招商加盟
服务支持
新闻资讯
联系我们
0578-3186678
购买
请输入搜索关键字
忠恒集团新闻动态
“银行在用、印钞厂在用”,
忠恒始终坚持用“心”为千万家庭打造更安全的门锁!
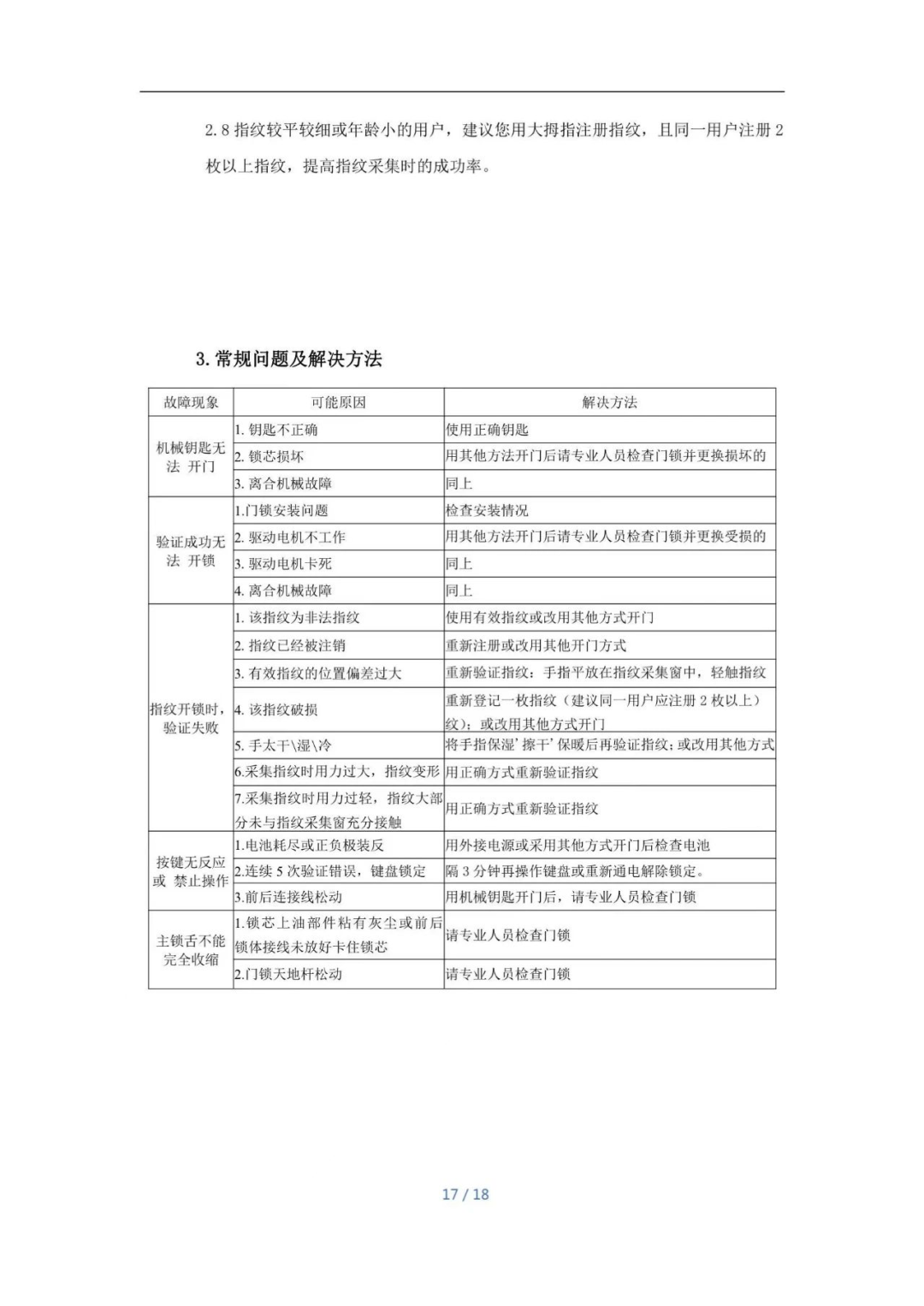
P28/P28M用户手册
发布时间
:2023-09-25 00:00:00
感谢尊贵的您,选择我公司的智能锁产品,祝您生活愉快!
写留言
留言
暂无留言
上一篇:
P27/P27M用户手册
下一篇:
P29/P29M用户手册
分享:
返回新闻列表
暂无留言